IEC 61000-4-9 脉冲磁场高能量瞬态磁场抗扰度验证与系统级整改服务 昨天 19:26
GB/T42125.1—2024/IEC61010-1:2016 标准下载 2026-01-26
GB/T18268.1—2025/IEC61326-1:2020可复制,查找,高清文字版本 2026-01-26
JJF(电子)0091-2023 剩余电压测试仪校准规范 2026-01-26
GBT 17215.211-2021 电能表EMC测试标准 2026-01-16


别再被“辐射”吓到了:户外 LED 大屏到底安不安全? 昨天 11:52
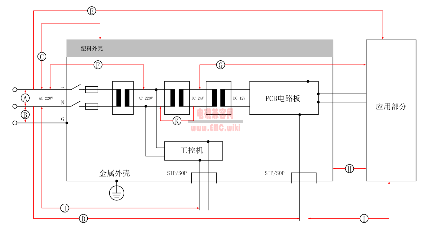
警惕“同频叠加”带来的EMC整改假象(为什么你的整改措施明明对了,波形却没降?) 2026-01-30
156–165 MHz 船载产品EMC 设计,emc整改注意事项 2025-12-29
船载产品/IEC 60945/GD22 船级社EMC认证 EMC整改 2025-12-27
【招聘】Noyetec诺益招聘EMC应用工程师、方案应用工程师 2025-12-26


降压型 DCDC 转换器 电路板布局基础和案例 2026-01-16
开关电源EMC 基础和降噪对策 2026-01-11
全国无线电干扰标准化技术委员会(SAC/TC79) 2025-11-15
MIPI DSI转LVDS 协议转换 芯片 EMC电磁兼容 辐射不合格 466MHz 2025-11-01
EMC测试辐射与传导的时候,测试出来的信号强度是负数,正常吗? 2025-10-04

