EMC技术社区 首页 专题 实战案例 查看内容

32种接口的EMC设计参考电路大全

2025-10-3 19:37| 发布者: 曾工| 查看: 1015| 评论: 0|原作者: Ms.huang

摘要: 本文汇总了 32 种常见电子接口或电源输入的 EMC 设计标准电路图,涵盖 AC 电源、DC 电源、音视频接口、数字接口、总线接口、时钟电路等多个类别。 每种接口配有推荐的滤波、电感、电容、共模器件布局等参考电路图, ...
本文汇总了 32 种常见电子接口或电源输入的 EMC 设计标准电路图,涵盖 AC 电源、DC 电源、音视频接口、数字接口、总线接口、时钟电路等多个类别。

每种接口配有推荐的滤波、电感、电容、共模器件布局等参考电路图,适合作为 EMC 设计初期或整改阶段的参考模板。

这些电路图为工程师提供了快速落地的 EMC 解决思路,减少从零设计的难度,同时也便于对比和改进。

1、AC24V接口 EMC 设计标准电路



2、AC110V-220V EMC 设计标准电路



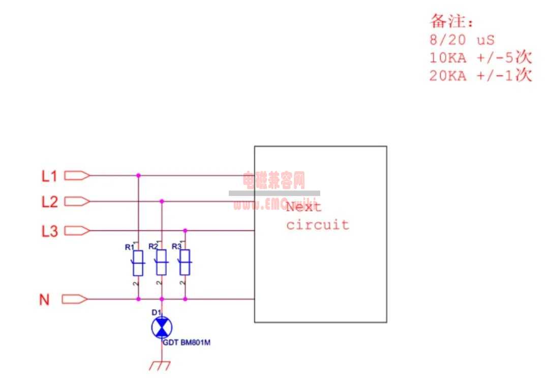
3、AC380V接口 EMC 设计标准电路



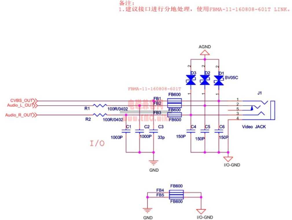
4、AV 接口 EMC 设计标准电路



5、CAN 接口 EMC设计标准电路


6、DC12V 接口 EMC 设计标准电路



7、DC24V 接口EMC设计标准电路



8、DC48 V接口 EMC设计标准电路



9、DC110V接口EMC设计标准电路



10、DVI EMC 设计标准电路



11、HDMI 接口 EMC 设计标准电路



12、LVDS 接口 EMC 设计标准电路


13、PS2 接口 EMC 设计标准电路



14、RJ11 EMC 设计标准电路



15、RS232 EMC 设计标准电路



16、RS485 EMC 设计标准电路



17、SCART接口 EMC 设计标准电路


18、s-video 接口 EMC 设计标准电路


19、USB DEVICE年MC 设计标准电路


20、USB2.0 接口 EMC 设计标准电路


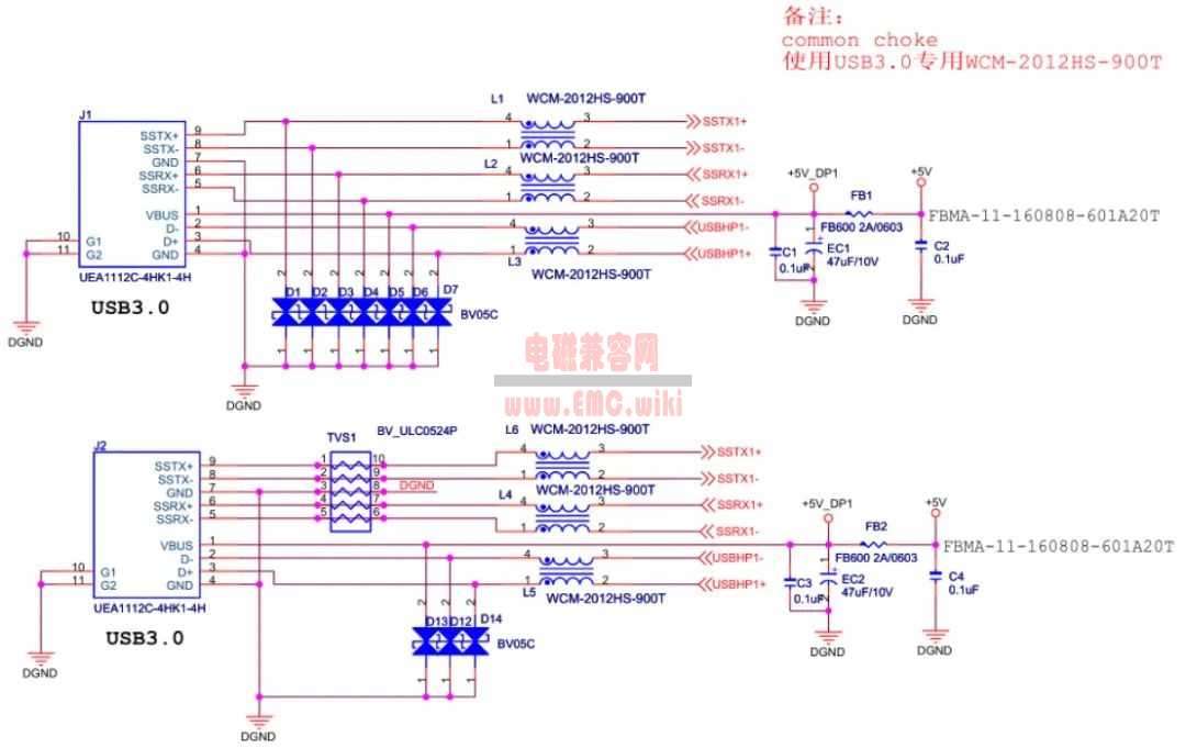
21、USB3.0 接口 EMC 设计标准电路


22、VGA接口 EMC 设计标准电路


23、差分时钟 EMC 设计标准电路


24、耳机接口 EMC 设计标准电路


25、复合视频接口 EMC 设计标准电路


26、汽车零部件电源口 EMC 标准设计电路


27、室内外天馈浪涌设计标准电路


28、无源晶振 EMC 设计标准电路


29、有源晶振 EMC 设计标准电路


30、以太网 EMC(EMI)设计标准电路


31、以太网 EMC(浪涌)设计标准电路(差模要求较高方案)


32、以太网 EMC(浪涌)中心抽头方案(节约空间)





路过

雷人

握手
2

鲜花

鸡蛋

刚表态过的朋友 (2 人)

相关阅读

最新文章
关注公众号
关于我们|联系我们|版权隐私|商务合作|我们的优势|电磁兼容网

相关技术交流、侵权、举报、投诉及建议等,请发 E-mail:info@emc.wiki ,紧急请电话:139 2899 3907

Powered by Discuz! X5.0 © 2001-2026 Discuz! Team.|粤ICP备15102220号

联系我们
QQ客服返回顶部